Trong bối cảnh công nghiệp hóa, hiện đại hóa, xe nâng điện đã khẳng định vị thế không thể thiếu trong hoạt động vận hành kho bãi, logistics và sản xuất nhờ hiệu suất cao và tính thân thiện với môi trường. Trong đó, bộ não của những cỗ máy mạnh mẽ này chính là hệ thống điện phức tạp, điều phối mọi hoạt động từ di chuyển, nâng hạ đến các chức năng an toàn.
Để làm chủ công nghệ, đảm bảo hiệu quả vận hành, bảo trì và sửa chữa xe nâng điện, việc hiểu rõ sơ đồ mạch điện xe nâng là yêu cầu tiên quyết đối với mọi kỹ thuật viên và người quản lý thiết bị. Bài viết này, xe nâng Cường Thịnh sẽ cung cấp một cái nhìn chuyên sâu, toàn diện về sơ đồ điện xe nâng, phân tích cấu trúc, hướng dẫn cách đọc và ứng dụng thực tiễn trong việc khắc phục sự cố, giúp tối ưu hóa hiệu suất và kéo dài tuổi thọ cho thiết bị nâng hạ của bạn.
Sơ Đồ Mạch Điện Xe Nâng Là Gì?
Sơ đồ mạch điện xe nâng (hay sơ đồ điện xe nâng) về bản chất là một bản vẽ kỹ thuật chi tiết, sử dụng các ký hiệu tiêu chuẩn hóa để mô tả cấu trúc, nguyên lý hoạt động và mối kết nối giữa các linh kiện điện và thực thể khác nhau trong toàn bộ hệ thống điện xe nâng. Từ ắc quy, bộ điều khiển, motor điện, các cảm biến, rơ le, contactor, cầu chì, công tắc cho đến hệ thống dây dẫn và các cơ cấu chấp hành như đèn báo, còi, van điện từ, tất cả đều được thể hiện một cách trực quan trên sơ đồ.
Các Thành Phần Chính Trong Hệ Thống Điện Xe Nâng
Để có thể đọc và hiểu sơ đồ mạch điện xe nâng một cách hiệu quả, việc đầu tiên là nhận diện và nắm rõ chức năng của từng thành phần chính cấu tạo nên hệ thống điện phức tạp này. Mỗi linh kiện điện, dù nhỏ nhất, đều đóng một vai trò quan trọng trong việc đảm bảo xe nâng hoạt động ổn định, an toàn và hiệu quả. Dưới đây là các nhóm thành phần cơ bản thường gặp:
Nguồn điện
Đây là trái tim cung cấp năng lượng cho toàn bộ hoạt động của các loại xe nâng hàng bằng điện. Thành phần chính bao gồm là ắc quy (thường là loại chì-axit hoặc Lithium-ion) với các mức điện áp khác nhau tùy thuộc vào model xe (ví dụ: ắc quy 48V hoặc 80V trên dòng xe nâng điện có đối trọng. Bên cạnh đó là hệ thống sạc ắc quy, đảm bảo tái nạp năng lượng cho ắc quy sau mỗi chu kỳ làm việc.

Nguồn điện cấp: Pin Lithium hoặc Ắc quy acid
Ắc quy acid chì và Pin Lithium: Lựa chọn nào tốt hơn cho xe nâng hàng
Hệ thống điều khiển
Được xem là bộ não của xe nâng, bao gồm:
- Bo mạch điều khiển chính: Tiếp nhận tín hiệu từ các cảm biến và công tắc, xử lý thông tin và gửi lệnh điều khiển đến các cơ cấu chấp hành.

Bo mạch tổng
- Bộ điều khiển động cơ: Điều chỉnh tốc độ, momen xoắn và chiều quay của motor điện di chuyển và motor bơm thủy lực. Nhiều dòng xe hiện đại như xe nâng điện ngồi lái 3 Tấn hay xe nâng điện đứng lái 2 Tấn sử dụng bộ điều khiển động cơ AC tiên tiến từ các hãng như Curtis, tích hợp giao thức CAN-Bus để tối ưu hóa giao tiếp và hiệu suất.
- Bộ điều khiển bơm thủy lực: Quản lý hoạt động của motor bơm thủy lực, điều khiển lưu lượng và áp suất dầu cho hệ thống nâng hạ.
- Màn hình hiển thị: Cung cấp thông tin trạng thái vận hành cho người lái (dung lượng ắc quy, giờ hoạt động, mã lỗi, tốc độ...).
Động cơ điện
Chuyển hóa năng lượng điện thành cơ năng:
- Động cơ lái: Tạo lực kéo giúp xe di chuyển (thường là động cơ AC trên các dòng xe mới).
- Động cơ bơm thủy lực: Dẫn động bơm thủy lực tạo áp lực dầu cho hệ thống nâng hạ (thường là động cơ DC).

Bộ điều khiển động cơ bơm thủy lực
Hệ thống truyền động tín hiệu
Bao gồm các thiết bị nhập và truyền tín hiệu:
- Cảm biến: Thu thập thông tin về trạng thái hoạt động của xe như cảm biến tốc độ, cảm biến vị trí (encoder) của motor, cảm biến nhiệt độ, cảm biến tải trọng, cảm biến góc lái, cảm biến bàn đạp ga/phanh, cảm biến hiện diện người vận hành.
- Công tắc: Cho phép người vận hành điều khiển các chức năng hoặc giới hạn hành trình, bao gồm công tắc hành trình, công tắc chọn hướng di chuyển (tiến/lùi), công tắc phanh, công tắc điều khiển nâng/hạ/nghiêng, công tắc dừng khẩn cấp.
- Rơ le & Contactor: Đóng/ngắt các mạch điện có dòng tải lớn (như mạch nguồn chính, mạch motor) dựa trên tín hiệu điều khiển nhỏ.
- Hệ thống chấp hành: Thực thi lệnh điều khiển:
- Van điện từ: Điều khiển dòng chảy dầu thủy lực trong hệ thống nâng hạ, nghiêng ngả.
- Đèn: Đèn chiếu sáng, đèn tín hiệu (xi-nhan, phanh), đèn cảnh báo.
- Còi: Thiết bị cảnh báo âm thanh.
Hệ thống dây dẫn và kết nối
- Dây dẫn: Truyền tải điện năng và tín hiệu giữa các linh kiện điện. Việc đọc sơ đồ mạch điện xe nâng giúp xác định đường đi và chức năng của từng dây.
- Giắc cắm: Tạo điểm kết nối giữa các bộ phận, dễ dàng cho việc tháo lắp và sửa chữa.
- Cầu chì: Bảo vệ mạch điện khỏi tình trạng quá dòng hoặc ngắn mạch.
Các Loại Sơ Đồ Mạch Điện Xe Nâng Phổ Biến
Hệ thống điện xe nâng hiện đại là một tổ hợp phức tạp của nhiều mạch chức năng khác nhau. Để thuận tiện cho việc phân tích, chẩn đoán lỗi và sửa chữa, các nhà sản xuất thường chia nhỏ toàn bộ hệ thống thành nhiều sơ đồ mạch điện xe nâng chuyên biệt. Việc nhận biết và hiểu rõ mục đích của từng loại sơ đồ là rất quan trọng đối với kỹ thuật viên. Dưới đây là các loại sơ đồ phổ biến nhất:
Sơ đồ hệ thống điều khiển tổng thể
Loại sơ đồ này cung cấp cái nhìn bao quát về kiến trúc điều khiển của xe nâng. Nó thể hiện sự liên kết logic giữa các bộ điều khiển trung tâm (ECU/VCM), các bộ điều khiển chức năng (như bộ điều khiển động cơ, bộ điều khiển bơm), các cảm biến đầu vào và các cơ cấu chấp hành đầu ra. Sơ đồ này đặc biệt hữu ích khi cần chẩn đoán các lỗi liên quan đến giao tiếp giữa các module (ví dụ: lỗi mạng CANbus) hoặc các lỗi hệ thống tổng thể.
Sơ đồ mạch nguồn và sạc
Sơ đồ này tập trung vào việc mô tả đường đi của dòng điện từ ắc quy đến các bộ phận tiêu thụ chính. Nó thể hiện rõ vị trí và thông số của các thiết bị bảo vệ mạch như cầu chì, contactor chính, và các điểm phân phối nguồn. Ngoài ra, mạch sạc ắc quy cũng thường được thể hiện trong sơ đồ này, giúp kỹ thuật viên kiểm tra quá trình sạc và các mạch liên quan.
Sơ đồ mạch động cơ di chuyển
Mô tả chi tiết kết nối giữa bộ điều khiển động cơ di chuyển và motor điện kéo. Sơ đồ này bao gồm các đường dây cấp nguồn pha cho động cơ (thường là động cơ AC 3 pha), các kết nối của cảm biến tốc độ và vị trí gắn trên motor, và các mạch bảo vệ liên quan trực tiếp đến motor di chuyển. Việc phân tích sơ đồ này giúp chẩn đoán các lỗi liên quan đến khả năng di chuyển của xe.
Sơ đồ mạch hệ thống thủy lực
Tập trung vào phần điện điều khiển hệ thống thủy lực. Sơ đồ này thể hiện kết nối từ bộ điều khiển đến motor điện bơm thủy lực, các van điện từ điều khiển chức năng nâng, hạ, nghiêng khung, dịch giá hoặc các chức năng của bộ công tác gắn thêm. Nó cũng bao gồm các cảm biến áp suất hoặc vị trí liên quan đến hệ thống thủy lực.
Sơ đồ mạch điều khiển lái
Đối với xe nâng có hệ thống lái trợ lực điện hoặc lái điện tử, sơ đồ này mô tả mạch điều khiển riêng cho hệ thống lái. Nó bao gồm kết nối của cảm biến góc lái, motor trợ lực lái (nếu có), bộ điều khiển lái và các tín hiệu liên quan đến hệ thống lái.
Sơ đồ mạch tín hiệu và phụ trợ
Bao gồm các mạch điện phục vụ chức năng phụ trợ và tín hiệu cảnh báo. Sơ đồ này thể hiện kết nối của hệ thống đèn (chiếu sáng, xi-nhan, phanh, cảnh báo), còi, màn hình hiển thị, các công tắc điều khiển trên táp lô, và các cảm biến an toàn khác (như cảm biến ghế ngồi - OPS).
Các sơ đồ chuyên biệt khác
Đối với các dòng xe nâng sử dụng động cơ đốt trong như xe nâng dầu hay xe nâng gas, sẽ có thêm các sơ đồ đặc thù như:
- Sơ đồ béc phun: Mô tả mạch điện điều khiển kim phun nhiên liệu.
- Sơ đồ bướm ga: Thể hiện mạch điều khiển bướm ga điện tử.
- Sơ đồ cuộn dây đánh lửa: Mô tả hệ thống đánh lửa cho động cơ Gas/LPG.
Việc phân loại rõ ràng các sơ đồ điện xe nâng giúp kỹ thuật viên tập trung vào đúng khu vực cần kiểm tra khi phát sinh sự cố, tiết kiệm thời gian và nâng cao hiệu quả sửa chữa, bảo trì hệ thống điện xe nâng.
Hướng Dẫn Cách Đọc và Phân Tích Sơ Đồ Mạch Điện Xe Nâng
Việc đọc sơ đồ mạch điện xe nâng một cách chính xác là nền tảng cho mọi hoạt động bảo trì, chẩn đoán lỗi và sửa chữa hệ thống điện xe nâng hiệu quả. Mặc dù các sơ đồ có thể khác nhau giữa các hãng và model xe, nhưng có những nguyên tắc và phương pháp chung mà kỹ thuật viên cần nắm vững.
Nắm vững các ký hiệu điện cơ bản

Ký hiệu điện cơ bản
Mỗi sơ đồ điện xe nâng sử dụng một hệ thống các ký hiệu điện tiêu chuẩn hóa để biểu diễn các linh kiện điện và mối kết nối giữa chúng. Kỹ thuật viên cần phải nhận biết và hiểu rõ ý nghĩa của các ký hiệu thông dụng như:
- Nguồn điện: Ký hiệu cho ắc quy, nguồn DC.
- Thiết bị bảo vệ: Cầu chì, contactor, rơ le.
- Thiết bị điều khiển: Công tắc các loại (nút nhấn, công tắc hành trình, công tắc xoay), bộ điều khiển (controller).
- Phụ tải: Motor điện, van điện từ, đèn, còi.
- Thiết bị cảm biến: Cảm biến (sensor) các loại (nhiệt độ, áp suất, vị trí, tốc độ...).
- Dây dẫn và kết nối: Đường dây đơn, dây cáp nhiều lõi, điểm nối dây (junction), điểm đấu mass (ground).
- Các linh kiện khác: Điện trở, tụ điện, diode...
Hiểu quy ước về dây dẫn và kết nối
Ngoài các ký hiệu linh kiện, cách thể hiện dây dẫn và kết nối cũng tuân theo những quy ước nhất định:
- Mã màu/Số hiệu dây: Nhiều sơ đồ sử dụng mã màu hoặc đánh số để phân biệt các đường dây khác nhau, giúp việc truy vết dễ dàng hơn.
- Điểm giao cắt và điểm nối: Cần phân biệt rõ ràng giữa các đường dây giao cắt nhau nhưng không kết nối và các điểm nối thực sự (thường được thể hiện bằng dấu chấm đậm).
- Giắc cắm: Các giắc cắm thường được đánh số thứ tự chân (pin) để xác định chính xác vị trí kết nối khi kiểm tra hoặc sửa chữa.
Phân tích cấu trúc và luồng tín hiệu
Đọc sơ đồ mạch điện xe nâng không chỉ là nhận diện ký hiệu mà còn là phân tích cấu trúc mạch và hiểu được luồng tín hiệu hoặc dòng điện:
- Xác định nguồn cấp: Luôn bắt đầu bằng việc xác định nguồn điện chính (ắc quy) và các nhánh nguồn phụ.
- Truy vết đường đi: Lần theo đường dây dẫn từ nguồn đến các thiết bị tiêu thụ (tải) hoặc từ các cảm biến về bộ điều khiển. Chú ý đến các công tắc, rơ le, cầu chì nằm trên đường đi có thể ảnh hưởng đến mạch.
- Hiểu mối liên hệ logic: Phân tích cách thức các linh kiện điện tương tác để thực hiện một chức năng cụ thể. Ví dụ: tín hiệu từ công tắc nâng/hạ được gửi đến bo mạch điều khiển, bo mạch xử lý và cấp lệnh cho contactor đóng mạch motor bơm thủy lực và van điện từ tương ứng.
Sử dụng chú thích và tài liệu kỹ thuật đi kèm
Không một sơ đồ mạch điện xe nâng nào là hoàn chỉnh nếu thiếu các chú thích và tài liệu bổ trợ. Kỹ thuật viên cần:
- Đối chiếu với bảng chú giải: Đảm bảo hiểu đúng tất cả các ký hiệu và mã viết tắt sử dụng trên sơ đồ.
- Tham khảo danh sách linh kiện: Xác định thông số kỹ thuật, mã phụ tùng của các linh kiện điện.
- Sử dụng kết hợp với tài liệu sửa chữa: Các tài liệu này thường cung cấp quy trình chẩn đoán lỗi, vị trí thực tế của linh kiện, thông số kiểm tra tiêu chuẩn, và các lưu ý quan trọng khác.
Việc kết hợp nhuần nhuyễn các kỹ năng trên sẽ giúp kỹ thuật viên tự tin tiếp cận và làm chủ mọi sơ đồ điện xe nâng, từ đó nâng cao năng lực bảo trì và sửa chữa thiết bị.
Ứng Dụng Sơ Đồ Mạch Điện Trong Kiểm Tra và Sửa Chữa Xe Nâng
Giá trị thực sự của sơ đồ mạch điện xe nâng nằm ở khả năng ứng dụng vào công việc kiểm tra hệ thống điện và sửa chữa xe nâng hàng ngày. Đây là công cụ định hướng không thể thiếu, giúp kỹ thuật viên tiếp cận vấn đề một cách hệ thống, logic và hiệu quả, thay vì dựa vào kinh nghiệm mò mẫm.
Quy trình kiểm tra hệ thống điện cơ bản
Khi tiếp nhận một xe nâng cần kiểm tra hoặc sửa chữa liên quan đến hệ thống điện, việc tuân thủ một quy trình bài bản dựa trên sơ đồ điện xe nâng là rất quan trọng:
- Kiểm tra trực quan: Quan sát tổng thể tình trạng hệ thống dây dẫn, các giắc cắm, cầu chì, rơ le, contactor và các linh kiện điện khác. Tìm kiếm các dấu hiệu bất thường như dây bị đứt, vỏ bọc bong tróc, giắc cắm lỏng lẻo, linh kiện bị cháy nổ, quá nhiệt.
- Kiểm tra nguồn cấp: Đo điện áp ắc quy để đảm bảo đủ dung lượng và điện áp hoạt động. Kiểm tra tình trạng kết nối tại các cọc bình. Kiểm tra hoạt động của hệ thống sạc.
- Kiểm tra thông mạch và ngắn mạch: Sử dụng đồng hồ vạn năng ở chế độ đo điện trở hoặc kiểm tra thông mạch để xác định tính liên tục của dây dẫn, cầu chì, cuộn dây contactor hoặc rơ le theo sơ đồ mạch điện. Kiểm tra khả năng cách điện giữa các dây dẫn và giữa dây dẫn với vỏ máy để phát hiện tình trạng ngắn mạch.
- Kiểm tra tín hiệu và điện áp: Dùng đồng hồ vạn năng ở chế độ đo điện áp để kiểm tra điện áp tại các điểm đo quan trọng trên bo mạch điều khiển, tín hiệu đầu ra từ các cảm biến, điện áp kích hoạt rơ le/contactor, điện áp cấp cho các cơ cấu chấp hành theo thông số kỹ thuật hoặc giá trị tham chiếu trên sơ đồ điện xe nâng.
Chẩn đoán lỗi dựa trên sơ đồ và mã lỗi
Sơ đồ mạch điện xe nâng là chìa khóa để chẩn đoán lỗi chính xác, đặc biệt khi kết hợp với mã lỗi hiển thị trên màn hình điều khiển:
Liên kết mã lỗi với sơ đồ: Khi xe báo mã lỗi (ví dụ: các mã lỗi của bộ điều khiển được liệt kê trong tài liệu part list của xe), kỹ thuật viên cần tra cứu ý nghĩa mã lỗi đó trong tài liệu kỹ thuật. Tài liệu thường sẽ chỉ dẫn đến một nhóm linh kiện điện hoặc một mạch chức năng cụ thể. Dựa vào đó, kỹ thuật viên sẽ sử dụng sơ đồ điện tương ứng để khoanh vùng và kiểm tra chi tiết.
Ví dụ chẩn đoán một số lỗi thường gặp:
- Xe không hoạt động/mất nguồn: Dựa vào sơ đồ mạch nguồn, kiểm tra tuần tự từ ắc quy, cầu chì tổng, công tắc dừng khẩn cấp, khóa điện, contactor chính, nguồn cấp cho bo mạch điều khiển.
- Không nâng/hạ được: Sử dụng sơ đồ mạch thủy lực, kiểm tra tín hiệu từ công tắc điều khiển nâng/hạ, nguồn cấp và tín hiệu điều khiển đến bộ điều khiển bơm, mạch motor bơm, các van điện từ nâng/hạ.
- Mất trợ lực lái (xe có trợ lực điện): Tham khảo sơ đồ mạch lái, kiểm tra cảm biến góc lái, motor trợ lực, bộ điều khiển lái và các dây dẫn liên quan.
- Lỗi cảm biến: Khi mã lỗi chỉ ra lỗi một cảm biến cụ thể (ví dụ: cảm biến bàn đạp ga), dùng sơ đồ để xác định chân tín hiệu ra của cảm biến và chân tín hiệu vào tương ứng trên bộ điều khiển. Đo tín hiệu tại các điểm này, kiểm tra dây dẫn kết nối.
- Nghi ngờ lỗi bo mạch điều khiển: Thường biểu hiện qua các mã lỗi liên quan đến lỗi bộ nhớ, lỗi vi xử lý, hoặc xe hoạt động sai chức năng dù tín hiệu đầu vào và cơ cấu chấp hành đều tốt. Việc sửa chữa bo mạch đòi hỏi kỹ năng chuyên sâu và thiết bị chuyên dụng.
Lưu ý an toàn khi kiểm tra, sửa chữa điện xe nâng
Làm việc với hệ thống điện xe nâng tiềm ẩn nhiều rủi ro. Luôn tuân thủ nghiêm ngặt các quy tắc an toàn điện:
- Ngắt kết nối nguồn: Luôn rút giắc cắm ắc quy trước khi thực hiện bất kỳ thao tác kiểm tra, sửa chữa nào trên các mạch điện, trừ trường hợp cần đo kiểm khi có điện theo quy trình.
- Sử dụng đồ bảo hộ: Mang kính bảo vệ, găng tay cách điện, giày bảo hộ phù hợp.
- Cảnh giác điện áp cao: Ắc quy xe nâng có điện áp và dòng phóng lớn, có thể gây nguy hiểm nghiêm trọng nếu xảy ra ngắn mạch hoặc tiếp xúc trực tiếp.
- Không tự ý thay đổi thiết kế: Tuyệt đối không được tự ý đấu nối tắt, thay đổi giá trị cầu chì, hoặc sửa đổi thiết kế mạch điện nguyên bản của nhà sản xuất.
Ví Dụ Cách Đọc Hệ Thống Điện Trên Xe Nâng Cụ Thể
Để minh họa rõ hơn các khái niệm đã trình bày, chúng ta sẽ tham khảo hệ thống điện của dòng xe nâng điện 3 tấn nằm trong model Noblelift FE4P Series, dựa trên tài liệu vận hành và bảo trì đi kèm.
Dòng xe Noblelift FE4P được trang bị hệ thống điện với các đặc điểm nổi bật:
Nguồn điện: Sử dụng ắc quy 48V cho các model FE4P16-25N và ắc quy 80V cho model FE4P30-35N, cung cấp năng lượng cho toàn bộ hệ thống.
Công nghệ động cơ: Cả động cơ di chuyển và động cơ bơm thủy lực đều sử dụng công nghệ động cơ AC (xoay chiều), mang lại hiệu suất cao, bền bỉ và ít cần bảo trì hơn so với động cơ DC truyền thống.
Hệ thống điều khiển: Xe sử dụng bộ điều khiển Curtis cho cả hệ thống kéo và hệ thống bơm, hỗ trợ giao thức truyền thông CAN-Bus. Điều này cho phép quản lý chính xác chuyển động, vận hành I/O, điều khiển và hiển thị thông tin.
Chức năng điều khiển nâng cao: Nhờ bộ điều khiển Curtis, dòng xe này sở hữu nhiều tính năng hiện đại, có thể cài đặt được như:
- Cài đặt tốc độ di chuyển chậm.
- Điều chỉnh gia tốc.
- Phanh cắm khi đảo chiều.
- Phanh tái sinh, giúp thu hồi năng lượng về ắc quy khi giảm tốc hoặc xuống dốc.
- Chức năng chống trôi dốc.
- Giới hạn tốc độ di chuyển tối đa.
- Chức năng khởi động an toàn (Static return to off – yêu cầu cần số về N để khởi động lại sau khi tắt máy hoặc rời ghế).
- Chức năng tự chẩn đoán lỗi và bảo vệ hệ thống (quá nhiệt, quá dòng, thấp áp, quá áp).
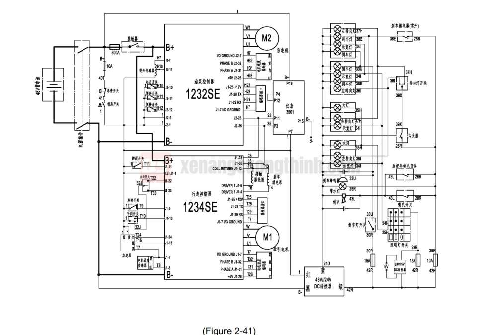
- Sơ đồ mạch điện chi tiết: Tài liệu kỹ thuật cung cấp các sơ đồ mạch điện cụ thể (ví dụ: Hình 2-41, 2-42) mô tả chi tiết kết nối của hệ thống điện.

Sơ đồ mạch điện chi tiết (Catalogue)
Sơ đồ này mô tả kiến trúc tổng thể của hệ thống điện trên xe, thể hiện sự phân phối nguồn năng lượng và các mạch điều khiển chính. Chúng ta có thể chia sơ đồ thành các khối chức năng chính như sau:
Nguồn Cấp Chính
- Nguồn năng lượng chính là ắc quy 48V (ký hiệu bên trái). Dòng điện dương (+) đi từ ắc quy qua một cầu chì tổng công suất lớn (500A), sau đó qua công tắc dừng khẩn cấp (nút đỏ lớn thường thấy trên xe) và đến tiếp điểm chính của Contactor K1 (Main Contactor). Cực âm (-) của ắc quy được nối trực tiếp vào các bộ điều khiển và các mạch khác cần nguồn âm.
- Contactor K1 đóng vai trò như công tắc nguồn chính cho hệ thống công suất (động cơ), chỉ đóng lại khi hệ thống điều khiển sẵn sàng hoạt động (sau khi bật khóa điện và hệ thống kiểm tra an toàn).
Hệ Thống Truyền Động
- Trung tâm là Bộ điều khiển động cơ kéo 1234SE (một sản phẩm của Curtis). Bộ điều khiển này nhận nguồn trực tiếp từ ắc quy (sau Contactor K1).
- Nó nhận tín hiệu điều khiển từ các công tắc chọn hướng (tiến/lùi - F/R Switch, có thể tích hợp trên cần điều khiển) và tín hiệu từ cảm biến bàn đạp ga.
- Dựa trên các tín hiệu này, bộ điều khiển 1234SE điều biến công suất cấp cho động cơ kéo AC M1 thông qua 3 dây pha (U, V, W - được ký hiệu là PHASE A, PHASE B trên sơ đồ), qua đó điều khiển tốc độ và chiều di chuyển của xe nâng. Các kết nối J1-x trên bộ điều khiển là các cổng giao tiếp và nhận tín hiệu điều khiển/cảm biến.
Hệ Thống Thủy Lực
- Bộ điều khiển bơm 1232SE (Curtis) quản lý hệ thống nâng hạ. Nó cũng nhận nguồn từ ắc quy.
- Khi có tín hiệu yêu cầu nâng/hạ hoặc nghiêng (từ các tay chang điều khiển), bộ điều khiển 1232SE sẽ cấp nguồn cho Contactor K2.
- Contactor K2 đóng lại, cấp nguồn 3 pha cho Động cơ bơm AC M2. Motor M2 hoạt động sẽ dẫn động bơm thủy lực, tạo áp lực dầu để vận hành hệ thống nâng hạ. Các kết nối J2-x là cổng giao tiếp và nhận tín hiệu cho bộ điều khiển này.
Mạch Phụ Trợ và Chiếu Sáng
Để cấp nguồn cho các thiết bị điện áp thấp như đèn, còi, mạch điều khiển phụ, sơ đồ sử dụng một bộ chuyển đổi DC/DC (ký hiệu 48V/24V DC Converter). Bộ này hạ áp từ 48V của ắc quy xuống 24V.
Nguồn 24V sau đó được phân phối qua các cầu chì riêng biệt (10A, 15A) đến các mạch phụ tải khác nhau:
- Hệ thống đèn: Đèn pha, đèn hậu (38E), đèn xi nhan (36L/R), đèn cảnh báo (43L/R). Hoạt động của các đèn này được điều khiển bởi các công tắc tương ứng (Công tắc đèn chính, công tắc xi nhan).
- Còi (Horn - P16).
- Các mạch tín hiệu khác (ví dụ: cấp nguồn cho màn hình hiển thị - P11, P12).
- Khóa điện điều khiển việc cấp nguồn cho mạch điều khiển và mạch phụ trợ 24V.
Mạch Điều Khiển và An Toàn
- Khóa điện đóng vai trò khởi động hệ thống.
- Tín hiệu từ công tắc phanh được đưa về các bộ điều khiển để thực hiện chức năng phanh (bao gồm cả phanh tái sinh).
- Các kết nối TX/RX trên hai bộ điều khiển 1234SE và 1232SE cho thấy chúng có khả năng giao tiếp với nhau (thường qua mạng CANbus) để đồng bộ hoạt động và chia sẻ dữ liệu cảm biến.
- Hệ thống còn bao gồm các mạch an toàn khác như cảm biến ghế ngồi (OPS), các công tắc hành trình... tín hiệu từ chúng sẽ được đưa về các chân đầu vào (J1-x, J2-x) của bộ điều khiển.
Đây là một sơ đồ tiêu chuẩn, thể hiện một cách rõ ràng cấu trúc phân phối nguồn và điều khiển cho các hệ thống chính trên xe nâng Noblelift FE4P. Nó cho thấy sự tách biệt giữa mạch công suất lớn (động cơ) và mạch điều khiển/phụ trợ điện áp thấp, cũng như vai trò trung tâm của các bộ điều khiển điện tử trong việc quản lý hoạt động của xe. Cho nên, việc phân tích kỹ lưỡng sơ đồ này là bước đầu tiên và cực kỳ quan trọng để thực hiện bảo trì, chẩn đoán và sửa chữa bất kỳ sự cố nào liên quan đến hệ thống điện của xe nâng.
Câu Hỏi Thường Gặp (FAQs)
Làm thế nào để đọc các ký hiệu trên sơ đồ mạch điện xe nâng?
Để đọc chính xác các ký hiệu, bạn cần tham khảo bảng chú giải đi kèm với sơ đồ điện cụ thể của nhà sản xuất. Ngoài ra, việc làm quen với các bộ ký hiệu điện tiêu chuẩn quốc tế (như IEC 60617) cũng rất hữu ích. Quan trọng là hiểu được chức năng của linh kiện điện mà ký hiệu đó đại diện trong mạch.
Những lỗi điện thường gặp nhất trên xe nâng là gì và cách xác định qua sơ đồ?
Các lỗi phổ biến bao gồm: mất nguồn hoàn toàn, xe không di chuyển, không nâng/hạ được, lỗi cảm biến, lỗi bo mạch điều khiển. Để xác định, trước hết cần dựa vào mã lỗi (nếu có) và triệu chứng, sau đó sử dụng sơ đồ mạch điện tương ứng (sơ đồ nguồn, sơ đồ động cơ, sơ đồ thủy lực...) để kiểm tra các linh kiện điện, dây dẫn và tín hiệu trong mạch chức năng bị lỗi như đã hướng dẫn ở phần ứng dụng sơ đồ vào chẩn đoán.
Tại sao việc hiểu sơ đồ mạch điện lại quan trọng đối với an toàn vận hành xe nâng?
Hệ thống điện xe nâng bao gồm nhiều mạch liên quan trực tiếp đến an toàn như mạch phanh, mạch dừng khẩn cấp, các cảm biến an toàn (ghế ngồi, tải trọng...). Hiểu sơ đồ mạch điện giúp kỹ thuật viên đảm bảo các mạch này luôn hoạt động đúng cách trong quá trình bảo trì, sửa chữa, tránh việc chẩn đoán sai hoặc sửa chữa không đúng cách có thể dẫn đến tình huống vận hành mất an toàn.
Khi nào cần thay thế bo mạch điều khiển (board) xe nâng điện?
Việc thay thế bo mạch điều khiển thường được cân nhắc khi:
- Xe liên tục báo các mã lỗi nghiêm trọng liên quan trực tiếp đến lỗi phần cứng hoặc bộ nhớ của bo mạch (sau khi đã loại trừ các nguyên nhân khác như lỗi dây dẫn, cảm biến, nguồn cấp).
- Bo mạch không thể giao tiếp với thiết bị chẩn đoán.
- Xe hoàn toàn không hoạt động hoặc hoạt động sai lệch nghiêm trọng dù tín hiệu đầu vào và các cơ cấu chấp hành đều tốt.
- Có dấu hiệu hư hỏng vật lý rõ ràng trên bo mạch (cháy nổ, phù tụ, ăn mòn...)













![Bảng Giá Xe Nâng Hàng [Cập Nhật Liên Tục 2026]](https://drive.gianhangvn.com/image/bang-gia-xe-nang-hang-moi-nhat-2025-2800089j33133x4.jpg)









VPDD: 99/33 đường Thạnh Xuân 21, KP4, P. Thạnh Xuân, Quận 12, TPHCM
Email1: qslift@xenangcuongthinh.com
Hotline: 0909.696.362






